PDL系列

CMOS微型激光位移传感器


  • 产品优势
  • 参数规格
  • 产品尺寸
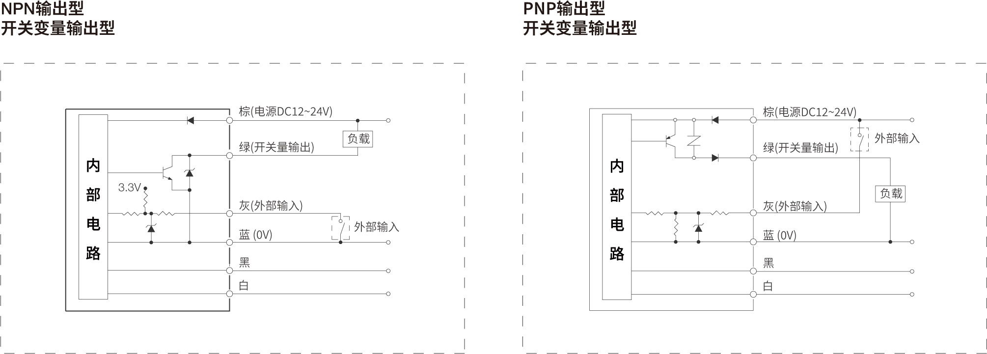
  • 接线图
产品特性
最快0.5ms采样速度,0.1%F.S.线性精度
01
铝铸外壳,外观紧凑、轻巧
02
配置OLED显示屏,薄膜按键,操作简单便利
03
支持RS-485输出、0~5V模拟电压输出、4~20mA模拟电流输出
04

紧凑、轻巧的外观设计

采用铝铸外壳,追求机身小型化的同时,保证坚固耐用的传感器结构。


便捷的交互界面

配置OLED显示屏,保证各个方向的清晰视角,薄膜按键,操作简单便利,防护性能更稳定。


检测范围多种多样

从25mm到600mm的测量范围,覆盖了广泛的应用场景,可以满足不同行业、不同领域的需求。


配备便捷功能

支持RS-485输出、0~5V模拟电压输出、4~20mA模拟电流输出,支持峰值保持、谷值保持、触发上传、激光开关等多种外部输入功能。

全新高精密光学结构

全新光学系统在实现缩小传感器尺寸的同时,保障出色的测量精度。内置反射镜光学系统提供卓越的测量体验,即使在小型装置中也可以保持高水准的精度。





 

 
 型号  开关量输出型 PDL-030 PDL-050 PDL-100 PDL-200 PDL-400
 模拟量输出型 PDL-030-A PDL-050-A PDL-100-A PDL-200-A PDL-400-A
 RS485输出型 PDL-030-485 PDL-050-485 PDL-100-485 PDL-200-485 PDL-400-485
 测量中心距离
30mm
50mm
100mm
200mm
400mm
 测量范围 ±5mm ±15mm ±35mm ±80mm ±200mm
 重复精度 10μm 30μm 70μm 200μm 300μm
(测量距离 200mm ~ 400m)
800μm
(测量距离 400mm ~ 600mm)
 线性精度  ±0.1% F.S.
( F.S.=10mm )
±0.1% F.S.
( F.S.=30mm )
±0.1% F.S.
( F.S.=70mm )
±0.2% F.S.
( F.S.=160mm )
±0.2% F.S.
( F.S.=400mm )
 光源
 红色半导体激光;最大输出: 1mW、发光波峰波长: 655nm
 响应时间
 0.5/1/2/4/8/16 ms
 激光等级
 2类( Class2 )
 开关量输出  NPN 开路集电极 / PNP 开路集电极 切换方式,Max100mA / DC 30V,残留电压1.8V (仅限开关量输出类型支持)
 外部输入功能  触发上传
 模拟
 输出
 电流 输出4-20mA,容许负载电阻300Ω以下 (仅限模拟量输出类型支持)
 电压 0-5V,输出阻抗100Ω(仅限模拟量输出类型支持)
 RS-485通信 半双工(仅限RS-485输出类型支持)
 电源电压 12V~ 24V DC±10%,( 脉动P-P 10%以下 )
 消耗电流 100mA以下
 保护电路 逆反接保护、过流保护、短路保护
 耐环
 境性
 防护等级 IP67( IEC )
 使用环境温度 -10℃~+50℃(注意不可结露、结冰),存储时:-20℃~ +60℃
 使用环境湿度 35%RH~85%RH,存储时:35%RH~85%RH
 耐环境光 白炽灯: 受光面照度3000lx以下
 耐振动 频率10Hz~55Hz,双振幅1.5mm,X、Y、Z各方向2小时
 耐冲击 加速度500m/s² ( 约50g ), X、Y、Z各方向3次
 材质 压铸铝